单相整流桥模块、三相整流桥模块
![]()
【公司名称】无锡赛杰电器有限公司
【产品型号】MDQ、MDS 30A、60A、100A
【产品简介】
单相整流模块、三相整流桥模块,公司严格按照国际标准工艺制造。将功率半导体钝化芯片(整流管芯片)以国际标准电路结构封装结合,并选用电子陶瓷片,解决功率半导体芯片和紫铜底基板之间的绝缘问题,因此多个模块可以共用一个散热器。体积小,结构紧凑便捷。广泛地应用在直流电源、电焊机、直流电机、电池充放电、PWM变频器整流等
详细说明
一、产品特点:
1、芯片与底板电气绝缘,2500V交流电压;
2、国际标准封装;
3、真空+充氢保护焊接技术;
4、焊接结构,优良的温度特性和功率循环能力;
5、安装简单,使用维修方便;
6、体积小,重量轻;
7、最高工作结温达150℃;
8、正向压降小。
二、型号说明:

三、特性参数;
|
|
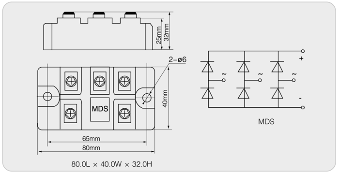
四、外形尺寸及电路图:

五、产品应用:
1、仪器设备的直流电流; 2、P W M变频器的输入整流电源; 3、直流电机励磁电源; 4、开关电源的输入整流; 5、软启动电容充电; 6、电气拖动和辅助电流; 7、逆变焊机; 8、电流充电直流电源。
说明:
a. Vdsm/Vrsm=Vdrm/Vrrm+200V;
b. 除非另作说明,Lgt,Vgt,Ih,Vtm,Viso均为25下的调试值,表中其它参数皆为Tvjm下的测试值;
c. I2t=I2tsmTW/2,式中TW:正弦半波电流底宽,在50HZ频率下,I2t(10ms)=0.005I2tsm(A2S);
d. 当使用在电流为60HZ情况下,Itsm(8.3ms)=1.066(10ms),I2t(8.3ms)=0.943I2tsm(10ms)。

更多...最新评论
快速评论